Product Summary
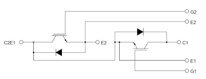
The CM300DY-12H Mitsubishi IGBT Module is designed for use in switching applications. IThe CM300DY-12H consists of two IGBTs in a half-bridge configuration with each transistor having a reverse-connected super-fast recovery free-wheel diode. All components and interconnects are isolated from the heat sinking baseplate, offering simplified system assembly and thermal management. The applications of the CM300DY-12H include AC Motor Control, Motion/Servo Control, UPS, Welding Power Supplies
Parametrics
CM300DY-12H absolute maximum ratings: (1)Junction Temperature: –40 to 150 ℃; (2)Storage Temperature: –40 to 125 ℃; (3)Collector-Emitter Voltage (G-E SHORT): 600 Volts; (4)Gate-Emitter Voltage (C-E SHORT): ±20 Volts; (5)Collector Current (TC = 25℃): 300 Amperes; (6)Peak Collector Current: 600* Amperes; (7)Emitter Current** (TC = 25℃): 300 Amperes; (8)Peak Emitter Current**: 600* Amperes; (9)Maximum Collector Dissipation (TC = 25℃, Tj ≤ 150℃): 1100 Watts; (10)Mounting Torque, M5 Main Terminal: 1.47 ~ 1.96 N·m; (11)Mounting Torque, M6 Mounting: 1.96 ~ 2.94 N·m; (12)Weight: 270 Grams; (13)Isolation Voltage (Main Terminal to Baseplate, AC 1 min.): 2500 Vrms.
Features
CM300DY-12H features: (1)Low Drive Power; (2)Low VCE(sat); (3)Discrete Super-Fast Recovery Free-Wheel Diode; (4)High Frequency Operation; (5)Isolated Baseplate for Easy Heat Sinking.
Diagrams

| Image | Part No | Mfg | Description |  | Pricing (USD) | Quantity | ||||||
|---|---|---|---|---|---|---|---|---|---|---|---|---|
|  |  CM300DY-12H |  |  IGBT MOD DUAL 600V 300A H SER |  Data Sheet |  Negotiable |  | ||||||
| Image | Part No | Mfg | Description |  | Pricing (USD) | Quantity | ||||||
|  |  CM3002 |  Other |  |  Data Sheet |  Negotiable |  | ||||||
|  |  CM300DU-12F |  |  IGBT MOD DUAL 600V 300A F SER |  Data Sheet |  
 |  | ||||||
|  |  CM300DU-12H |  |  IGBT MOD DUAL 600V 300A U SER |  Data Sheet |  
 |  | ||||||
|  |  CM300DU-12NFH |  |  IGBT MOD DUAL 600V 300A NFH SER |  Data Sheet |  
 |  | ||||||
|  |  CM300DU-24F |  |  IGBT MOD DUAL 1200V 300A F SER |  Data Sheet |  
 |  | ||||||
|  |  CM300DU-24H |  |  IGBT MOD DUAL 1200V 300A U SER |  Data Sheet |  
 |  | ||||||
 (China (Mainland))
 (China (Mainland)) 
                         
                        
 
                                    




