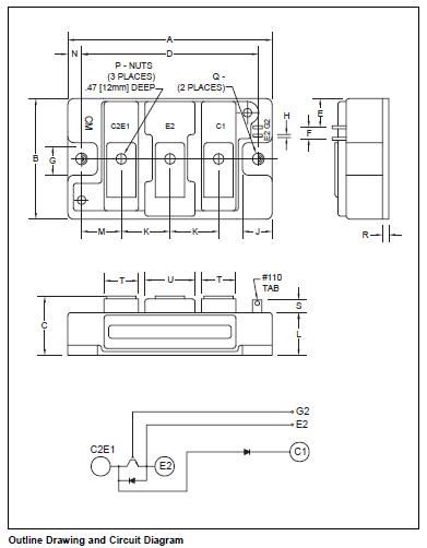
Product Summary
The cm75e3u Powerex Chopper IGBTMOD Module is designed for use in switching applications. It consists of one IGBT Transistor having a reverse-connected superfast recovery free-wheel diode and an anode-collector connected superfast recovery free-wheel diode. All components and interconnects of cm75e3u are isolated from the heat sinking baseplate, offering simplified system assembly and thermal management. DC Motor Control h Boost Regulator
Parametrics
cm75e3u absolute maximum ratings: (1)Junction Temperature: -40 to 150 ℃; (2)Storage Temperature: -40 to 125 ℃; (3)Collector-Emitter Voltage (G-E SHORT): 600 Volts; (4)Gate-Emitter Voltage (C-E SHORT): ±20 Volts; (5)Collector Current (Tc = 25℃): 75 Amperes; (6)Peak Collector Current: 150* Amperes; (7)Emitter Current** (Tc = 25℃): 75 Amperes; (8)Peak Emitter Current: 150* Amperes; (9)Maximum Collector Dissipation (Tc = 25℃, Tj ≤ 150℃): 310 Watts; (10)Mounting Torque, M5 Main Terminal: 31 in-lb; (11)Mounting Torque, M6 Mounting: 40 in-lb; (12)Weight: 310 Grams; (13)Isolation Voltage (Main Terminal to Baseplate, AC 1 min.): 2500 Volts.
Features
cm75e3u features: (1)Low Drive Power; (2)Low VCE(sat); (3)Discrete Super-Fast Recovery; (4)Free-Wheel Diode; (5)High Frequency Operation (15-20kHz); (6)Isolated Baseplate for Easy Heat Sinking.
Diagrams

| Image | Part No | Mfg | Description | ![]() |
Pricing (USD) |
Quantity | ||||||
|---|---|---|---|---|---|---|---|---|---|---|---|---|
![]() |
![]() CM75E3U-12H |
![]() |
![]() IGBT MOD CHOP 600V 75A U SER |
![]() Data Sheet |
![]()
|
|
||||||
![]() |
![]() CM75E3U-24H |
![]() |
![]() IGBT MOD CHOP 1200V 75A U SER |
![]() Data Sheet |
![]()
|
|
||||||
(China (Mainland))









