Product Summary
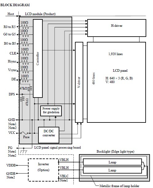
The color LCD module of NL6448BC33-64 is composed of the amorphous silicon thin film transistor liquid crystal display (a-Si TFT LCD) panel structure with driver LSIs for driving the TFT (Thin Film Transistor) array and a backlight. The a-Si TFT LCD panel structure is injected liquid crystal material into a narrow gap between the TFT array glass substrate and a color-filter glass substrate. Color (Red, Green, Blue) data signals from a host system (e.g. PC, signal generator, etc.) are modulated into best form for active matrix system by a signal processing board, and sent to the driver LSIs which drive the individual TFT arrays. The TFT array as an electro-optical switch regulates the amount of transmitted light from the backlight assembly, when it is controlled by data signals. Color images are created by regulating the amount of transmitted light through the TFT array of red, green and blue dots.
Parametrics
Absolute maximum ratings:(1)Power supply voltage, LCD panel signal board, VCC: -0.3 to +6.5V (Ta = 25℃); (2)Power supply voltage, Lamp voltage, VBLH: 1,500Vrms; (3)Input voltage for signals, Display signals, VD: -0.3 to VCC+0.3V; (4)Input voltage for signals, Function signals, VF: -0.3 to VCC+0.3V; (5)Storage temperature, Tst: -30 to +80℃; (6)Operating temperature, Front surface, TopF: -20 to +70℃; (7)Operating temperature, Rear surface, TopR: -20 to +70℃; (8)Relative humidity, RH: ≤95 % at the condition of Ta ≤ 40℃; (9)Relative humidity, RH: ≤85 % at the condition of 40 < Ta ≤ 50℃; (10)Relative humidity, RH: ≤55 % at the condition of 50 < Ta ≤ 60℃; (11)Relative humidity, RH: ≤36 % at the condition of 60 < Ta ≤ 70℃; (12)Absolute humidity, AH: < 70 g/m3 at the condition of Ta > 50℃.
Features
Features: (1)wide viewing angle; (2)High luminance; (3)High contrast; (4)6-bit digital RGB signals; (5)DE(Data enable) function; (6)Reversible-scan direction; (7)Edge light type(without inverter); (8)Replaceable lamp for backlight; (9)acquisition products for UL60950-1/CSA NO.60950-1-03.
Diagrams

![]() |
![]() NL6448AC20-06 |
![]() Other |
![]() |
![]() Data Sheet |
![]() Negotiable |
|
||||
![]() |
![]() NL6448AC20-08 |
![]() Other |
![]() |
![]() Data Sheet |
![]() Negotiable |
|
||||
![]() |
![]() NL6448AC33-18A |
![]() Other |
![]() |
![]() Data Sheet |
![]() Negotiable |
|
||||
![]() |
![]() NL6448AC33-29 |
![]() Other |
![]() |
![]() Data Sheet |
![]() Negotiable |
|
||||
![]() |
![]() NL6448BC20-08 |
![]() Other |
![]() |
![]() Data Sheet |
![]() Negotiable |
|
||||
![]() |
![]() NL6448BC33-31 |
![]() Other |
![]() |
![]() Data Sheet |
![]() Negotiable |
|
||||
(China (Mainland))








