Product Summary
The TLC2272CP is a dual and quadruple operational amplifier from Texas Instruments. It exhibits rail-to-rail output performance for increased dynamic range in single- or split-supply applications. The TLC2272CP offers 2 MHz of bandwidth and 3 V/ms of slew rate for higher speed applications. It offers comparable ac performance while having better noise, input offset voltage, and power dissipation than existing CMOS operational amplifiers. The TLC2272CP has a noise voltage of 9 nV//Hz, two times lower than competitive solutions. The TLC2272CP, exhibiting high input impedance and low noise, is excellent for small-signal conditioning for high-impedance sources, such as piezoelectric transducers. It is single rail-to-rail operational amplifier in the SOT-23 package.
Parametrics
TLC2272CP absolute maximum ratings: (1)Supply voltage, VDD+: 8 V; (2)Supply voltage, VDD–: –8 V; (3)Differential input voltage, VID: ±16 V; (4)Input voltage, VI (any input): VDD– – 0.3 V to VDD+; (5)Input current, II (any input): ±5 mA; (6)Output current, IO: ±50 mA; (7)Total current into VDD+: ±50 mA; (8)Total current out of VDD–: ±50 mA; (9)Duration of short-circuit current at (or below) 25℃: unlimited; (10)Operating free-air temperature range, TA: C suffix: 0 to 70℃; (11)I suffix: –40 to 85℃; (12)Q suffix: –40 to 125℃; (13)M suffix:–55 to 125℃; (14)Storage temperature range: –65 to 150℃; (15)Lead temperature 1,6 mm (1/16 inch) from case for 10 seconds: D, N, P or PW package: 260℃; (16)Lead temperature 1,6 mm (1/16 inch) from case for 60 seconds: J package: 300℃.
Features
TLC2272CP features: (1)Output Swing Includes Both Supply Rails; (2)Low Noise; (3)Low Input Bias Current:1 pA Typ; (4)Fully Specified for Both Single-Supply and Split-Supply Operation; (5)Common-Mode Input Voltage Range Includes Negative Rail; (6)High-Gain Bandwidth: 2.2 MHz Typ; (7)High Slew Rate: 3.6 V/ms Typ; (8)Low Input Offset Voltage: 950 mV Max at TA = 25℃; (9)Macromodel Included; (10)Performance Upgrades for the TS272, TS274, TLC272, and TLC274; (11)Available in Q-Temp Automotive, HighRel Automotive Applications, Configuration Control / Print Support, Qualification to Automotive Standards.
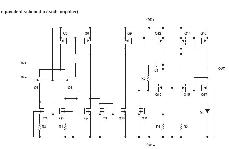
Diagrams

| Image | Part No | Mfg | Description | ![]() |
Pricing (USD) |
Quantity | ||||||||||||
|---|---|---|---|---|---|---|---|---|---|---|---|---|---|---|---|---|---|---|
![]() |
![]() TLC2272CP |
![]() Texas Instruments |
![]() Operational Amplifiers - Op Amps Dual Rail-Rail |
![]() Data Sheet |
![]()
|
|
||||||||||||
![]() |
![]() TLC2272CPE4 |
![]() Texas Instruments |
![]() Operational Amplifiers - Op Amps Dual Lo-Noise R-To-R Op Amp |
![]() Data Sheet |
![]()
|
|
||||||||||||
![]() |
![]() TLC2272CPS |
![]() Texas Instruments |
![]() Operational Amplifiers - Op Amps Dual LoNoise Rail To Rail OP AMP |
![]() Data Sheet |
![]()
|
|
||||||||||||
![]() |
![]() TLC2272CPSG4 |
![]() Texas Instruments |
![]() Operational Amplifiers - Op Amps Dual Low-Noise R/R Op Amp |
![]() Data Sheet |
![]()
|
|
||||||||||||
![]() |
![]() TLC2272CPSRG4 |
![]() Texas Instruments |
![]() Operational Amplifiers - Op Amps Dual Lo-Noise R-To-R Op Amp |
![]() Data Sheet |
![]()
|
|
||||||||||||
![]() |
![]() TLC2272CPSR |
![]() Texas Instruments |
![]() Operational Amplifiers - Op Amps Dual Lo-Noise R-To-R Op Amp |
![]() Data Sheet |
![]()
|
|
||||||||||||
![]() |
![]() TLC2272CPWR |
![]() Texas Instruments |
![]() Operational Amplifiers - Op Amps Dual Lw Noise R/R Op |
![]() Data Sheet |
![]()
|
|
||||||||||||
![]() |
![]() TLC2272CPWG4 |
![]() Texas Instruments |
![]() Operational Amplifiers - Op Amps Dual Lo-Noise R-To-R Op Amp |
![]() Data Sheet |
![]()
|
|
||||||||||||
(China (Mainland))









