Product Summary
The CM75E3U-24H Chopper IGBTMOD U-Series Module is designed for use in switching applications. It consists of one IGBT Transistor having a reverse-connected superfast recovery free-wheel diode and an anode-collector connected superfast recovery free-wheel diode. All components and interconnects are isolated from the heat sinking baseplate, offering simplified system assembly and thermal management.
Parametrics
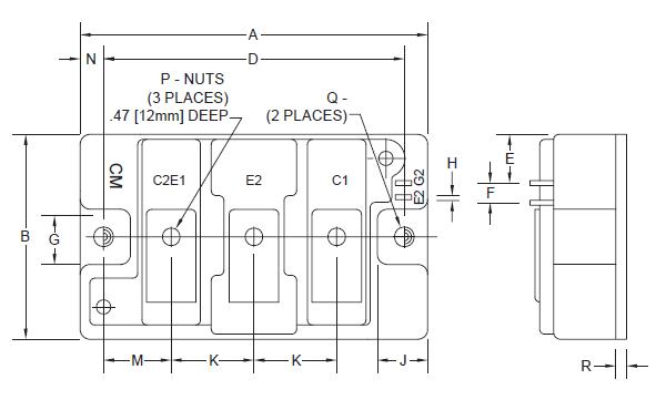
Absolute maximum ratings: (1)Junction Temperature: -40 to 150 ℃; (2)Storage Temperature: -40 to 125 ℃; (3)Collector-Emitter Voltage (G-E SHORT): 1200 Volts; (4)Gate-Emitter Voltage (C-E SHORT): ±20 Volts; (5)Collector Current (Tc = 25℃): 75 Amperes; (6)Peak Collector Current: 150* Amperes; (7)Emitter Current** (Tc = 25℃): 75 Amperes; (8)Peak Emitter Current**: 150* Amperes; (9)Maximum Collector Dissipation (Tc = 25℃, Tj ≤ 150℃): 600 Watts; (10)Mounting Torque, M5 Main Terminal: 31 in-lb; (11)Mounting Torque, M6 Mounting: 40 in-lb; (12)Weight: – 310 Grams; (13)Isolation Voltage (Main Terminal to Baseplate, AC 1 min.): 2500 Volts.
Features
Features: (1)Low Drive Power; (2)Low VCE(sat); (3)Discrete Super-Fast Recovery Free-Wheel Diode; (4)High Frequency Operation (15-20kHz); (5)Isolated Baseplate for Easy Heat Sinking.
Diagrams

| Image | Part No | Mfg | Description | ![]() |
Pricing (USD) |
Quantity | ||||||||||||
|---|---|---|---|---|---|---|---|---|---|---|---|---|---|---|---|---|---|---|
![]() |
![]() CM75E3U-24H |
![]() |
![]() IGBT MOD CHOP 1200V 75A U SER |
![]() Data Sheet |
![]()
|
|
||||||||||||
| Image | Part No | Mfg | Description | ![]() |
Pricing (USD) |
Quantity | ||||||||||||
![]() |
![]() CM7560-104 |
![]() API Delevan |
![]() Common Mode Inductors (Chokes) 100uH 25% .013ohm |
![]() Data Sheet |
![]()
|
|
||||||||||||
![]() |
![]() CM7560-105 |
![]() API Delevan |
![]() Common Mode Inductors (Chokes) 1mH 25% 2.8A |
![]() Data Sheet |
![]()
|
|
||||||||||||
![]() |
![]() CM7560-106 |
![]() API Delevan |
![]() Common Mode Inductors (Chokes) 10000uH 25% .8ohm |
![]() Data Sheet |
![]()
|
|
||||||||||||
![]() |
![]() CM7560-107 |
![]() API Delevan |
![]() Common Mode Inductors (Chokes) 100000uH 25% 6.4ohm Choke ThruHole Commn |
![]() Data Sheet |
![]()
|
|
||||||||||||
![]() |
![]() CM7560-124 |
![]() API Delevan |
![]() Common Mode Inductors (Chokes) 120uH 25% .015ohm |
![]() Data Sheet |
![]()
|
|
||||||||||||
![]() |
![]() CM7560-125 |
![]() API Delevan |
![]() Common Mode Inductors (Chokes) 1200uH 25% .095ohm |
![]() Data Sheet |
![]()
|
|
||||||||||||
(China (Mainland))










