Product Summary
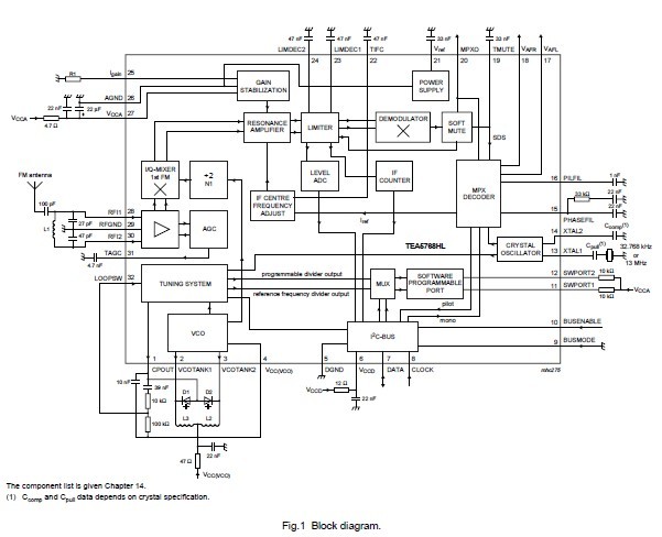
The TEA5768HL is a single-chip electronically tuned FM stereo radio for low-voltage applications with fully integrated IF selectivity and demodulation. The radio is completely adjustment-free and only requires a minimum of small and low cost external components. The radio can be tuned to the European, US and Japanese FM bands.
Parametrics
Absolute maximum ratings: (1)VCO tuned circuit output voltage 1, VVCOTANK1: -0.3 to +8V; (2)VCO tuned circuit output voltage 2, VVCOTANK2: -0.3 to +8V; (3)digital supply voltage, VCCD: -0.3 to +5V; (4)analog supply voltage, VCCA: -0.3 to +8V; (5)storage temperature, Tstg: -55 to +150℃; (6)ambient temperature, Tamb: -10 to +75℃; (7)electrostatic handling voltage for all pins except pin DATA, Ves: -2000 +2000V at different conditions, the detailed information is in the technical PDF.
Features
Features: (1)High sensitivity due to integrated low-noise RF input amplifier; (2)Preset tuning to receive Japanese TV audio up to 108 MHz; (3)RF Automatic Gain Control (AGC) circuit; (4)LC tuner oscillator operating with low cost fixed chip inductors; (5)FM IF selectivity performed internally; (6)No external discriminator needed due to fully integrated FM demodulator; (7)PLL synthesizer tuning system; (8)I2C-bus; (9)7-bit IF counter output via the I2C-bus; (10)4-bit level information output via the I2C-bus; (11)Soft mute; (12)Signal dependent mono to stereo blend [Stereo Noise Cancelling (SNC)]; (13)Signal dependent High Cut Control (HCC); (14)Soft mute, SNC and HCC can be switched off via the I2C-bus; (15)Adjustment-free stereo decoder; (16)Autonomous search tuning function; (17)Standby mode; (18)Two software programmable ports; (19)Bus enable line to switch the bus input and output lines into 3-state mode.
Diagrams

| Image | Part No | Mfg | Description | ![]() |
Pricing (USD) |
Quantity | ||||
|---|---|---|---|---|---|---|---|---|---|---|
![]() |
![]() TEA5768HL |
![]() Other |
![]() |
![]() Data Sheet |
![]() Negotiable |
|
||||
![]() |
![]() TEA5768HL/V2,157 |
![]() NXP Semiconductors |
![]() Tuners LO-PWR FM STEREO |
![]() Data Sheet |
![]() Negotiable |
|
||||
![]() |
![]() TEA5768HLBD |
![]() NXP Semiconductors |
![]() Tuners LO-PWR FM STEREO RADIO |
![]() Data Sheet |
![]() Negotiable |
|
||||
![]() |
![]() TEA5768HL2FE |
![]() |
![]() IC FM STEREO LOW POWER 32LQFP |
![]() Data Sheet |
![]() Negotiable |
|
||||
(China (Mainland))










