Product Summary
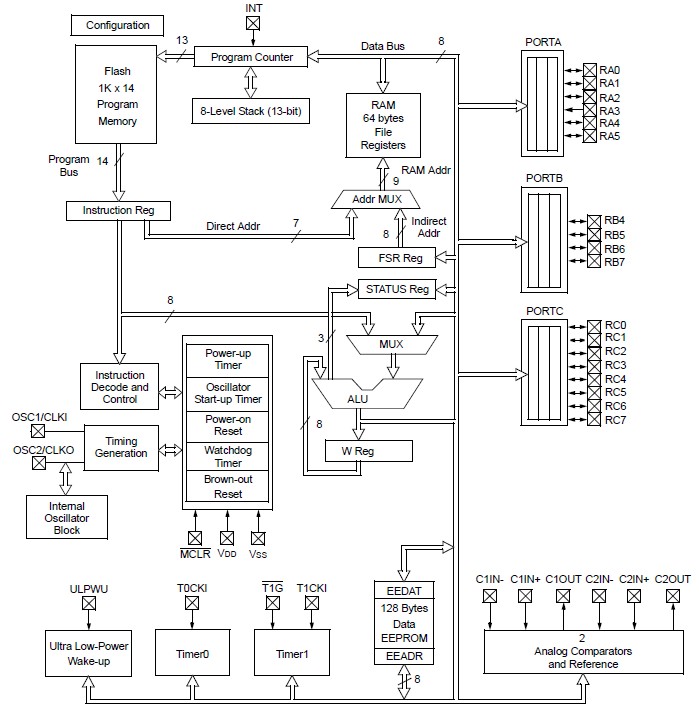
The PIC16F687 has a 13-bit program counter capable of addressing an 8K x 14 program memory space. Only the first 1K x 14 (0000h-03FFh) is physically implemented for the PIC16F631, the first 2K x 14 (0000h-07FFh) for the PIC16F687, and the first 4K x 14 (0000h-0FFFh) for the PIC16F687. Accessing a location above these boundaries will cause a wraparound.
Parametrics
PIC16F687 absolute maximum ratings: (1)Ambient temperature under bias: -40 to +125℃; (2)Storage temperature: -65℃ to +150℃; (3)Voltage on VDD with respect to VSS: -0.3V to +6.5V; (4)Voltage on MCLR with respect to Vss: -0.3V to +13.5V; (5)Voltage on all other pins with respect to VSS: -0.3V to (VDD + 0.3V); (6)Total power dissipation: 800 mW; (7)Maximum current out of VSS pin: 300 mA; (8)Maximum current into VDD pin: 250 mA; (9)Input clamp current, IIK (VI < 0 or VI > VDD): ± 20 mA; (10)Output clamp current, IOK (Vo < 0 or Vo >VDD): ± 20 mA; (11)Maximum output current sunk by any I/O pin: 25 mA; (12)Maximum output current sourced by any I/O pin: 25 mA; (13)Maximum current sunk by PORTA, PORTB and PORTC (combined): 200 mA; (14)Maximum current sourced PORTA, PORTB and PORTC (combined): 200 mA.
Features
PIC16F687 features: (1)Precision Internal Oscillator; (2)Only 35 instructions to learn: All single-cycle instructions except branches; (3)Interrupt capability; (4)8-level deep hardware stack; (5)Direct, Indirect and Relative Addressing modes; (6)Power-Saving Sleep mode; (7)Wide operating voltage range (2.0V-5.5V); (8)Industrial and Extended Temperature range; (9)Power-on Reset (POR); (10)Power-up Timer (PWRTE) and Oscillator Start-up Timer (OST); (11)Brown-out Reset (BOR) with software control option; (12)Enhanced low-current Watchdog Timer; (13)Low-Power.
Diagrams

| Image | Part No | Mfg | Description | ![]() |
Pricing (USD) |
Quantity | ||||||||||||
|---|---|---|---|---|---|---|---|---|---|---|---|---|---|---|---|---|---|---|
![]() |
![]() PIC16F687 |
![]() Other |
![]() |
![]() Data Sheet |
![]() Negotiable |
|
||||||||||||
![]() |
![]() PIC16F687-E/ML |
![]() Microchip Technology |
![]() 8-bit Microcontrollers (MCU) 3.5 KB 128 RAM 18I/O |
![]() Data Sheet |
![]()
|
|
||||||||||||
![]() |
![]() PIC16F687-I/ML |
![]() Microchip Technology |
![]() 8-bit Microcontrollers (MCU) 3.5 KB 128 RAM 18I/O |
![]() Data Sheet |
![]()
|
|
||||||||||||
![]() |
![]() PIC16F687-E/SS |
![]() Microchip Technology |
![]() 8-bit Microcontrollers (MCU) 3.5KB FL 128R 18 I/O |
![]() Data Sheet |
![]()
|
|
||||||||||||
![]() |
![]() PIC16F687-E/P |
![]() Microchip Technology |
![]() 8-bit Microcontrollers (MCU) 3.5KB FL 128R 18 I/O |
![]() Data Sheet |
![]()
|
|
||||||||||||
![]() |
![]() PIC16F687-E/SO |
![]() Microchip Technology |
![]() 8-bit Microcontrollers (MCU) 3.5KB FL 128R 18 I/O |
![]() Data Sheet |
![]()
|
|
||||||||||||
![]() |
![]() PIC16F687-I/P |
![]() Microchip Technology |
![]() 8-bit Microcontrollers (MCU) 3.5KB FL 128R 18 I/O |
![]() Data Sheet |
![]()
|
|
||||||||||||
![]() |
![]() PIC16F687-I/SS |
![]() Microchip Technology |
![]() 8-bit Microcontrollers (MCU) 3.5KB FL 128R 18 I/O |
![]() Data Sheet |
![]()
|
|
||||||||||||
(China (Mainland))










